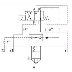
R900912726
LFA32KWB-7X/

LFA32KWB-7X/
  • Availability: 2-4 weeks
  • Weight: 3.52 KG
  • Part number: R900912726
  • Manufacturer: Bosch Rexroth

Price:

remove add

The minimum order quantity for the product is 1.

LFA32KWB-7X/
Quantity discount

The price will be automatically updated once added to the cart.

autorenew

Loading data...