R900926374
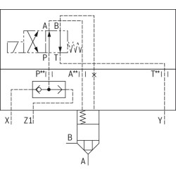
LFA25GWA-7X/A10

LFA25GWA-7X/A10
  • Availability: 2-4 weeks
  • Weight: 1.98 KG
  • Part number: R900926374
  • Manufacturer: Bosch Rexroth

Price:

remove add

The minimum order quantity for the product is 1.

LFA25GWA-7X/A10
Quantity discount

The price will be automatically updated once added to the cart.

autorenew

Loading data...