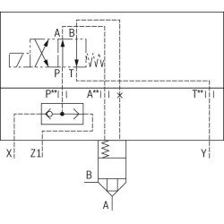
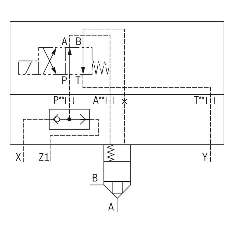
R900929821
LFA25GWA-7X/A08

LFA25GWA-7X/A08
  • Availability: 2-4 weeks
  • Weight: 2.02 KG
  • Part number: R900929821
  • Manufacturer: Bosch Rexroth

Price:

remove add

The minimum order quantity for the product is 1.

LFA25GWA-7X/A08
Quantity discount

The price will be automatically updated once added to the cart.

autorenew

Loading data...