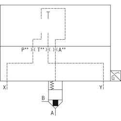
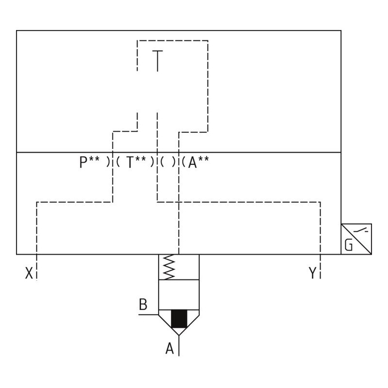
R900912672
LFA25EWA-7X/CA20DQMG24

LFA25EWA-7X/CA20DQMG24
  • Availability: 2-4 weeks
  • Weight: 5.28 KG
  • Part number: R900912672
  • Manufacturer: Bosch Rexroth

Price:

remove add

The minimum order quantity for the product is 1.

LFA25EWA-7X/CA20DQMG24
Quantity discount

The price will be automatically updated once added to the cart.

autorenew

Loading data...