R900912808
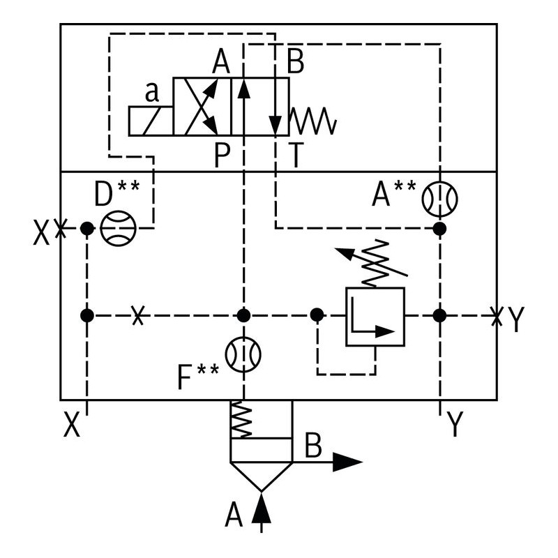
LFA25DBW2-7X/100

LFA25DBW2-7X/100
  • Availability: 2-4 weeks
  • Weight: 2.12 KG
  • Part number: R900912808
  • Manufacturer: Bosch Rexroth

Price:

remove add

The minimum order quantity for the product is 1.

LFA25DBW2-7X/100
Quantity discount

The price will be automatically updated once added to the cart.

autorenew

Loading data...