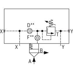
R900912761
LFA25DB2-7X/315

LFA25DB2-7X/315
  • Availability: 2-4 weeks
  • Weight: 2.14 KG
  • Part number: R900912761
  • Manufacturer: Bosch Rexroth

Price:

remove add

The minimum order quantity for the product is 1.

LFA25DB2-7X/315
Quantity discount

The price will be automatically updated once added to the cart.

autorenew

Loading data...