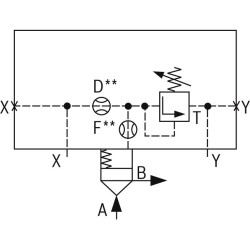
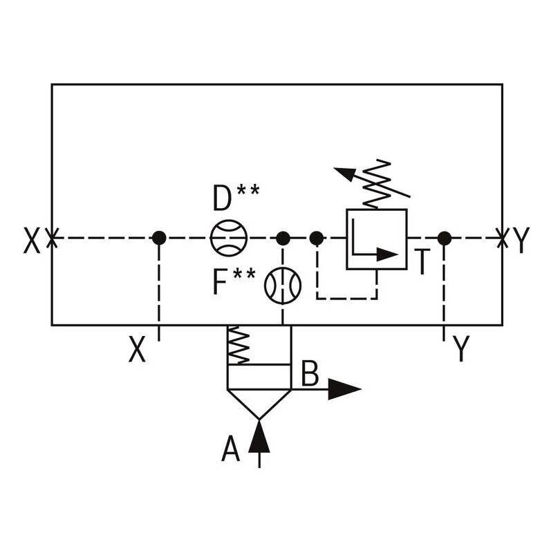
R900938728
LFA16DB3-7X/200

LFA16DB3-7X/200
  • Availability: 2-4 weeks
  • Weight: 1.68 KG
  • Part number: R900938728
  • Manufacturer: Bosch Rexroth

Price:

remove add

The minimum order quantity for the product is 1.

LFA16DB3-7X/200
Quantity discount

The price will be automatically updated once added to the cart.

autorenew

Loading data...